Part Number
UMISO7723
Description
高速2通道数字隔离器
Status
量产
VCCA Voltage Range (V)
2.375 to 5.5
VCCB Voltage Range (V)
2.375 to 5.5
Number of Channels
2
Forward/Reverse Channels
1/1
Default Output State
High / Low
Isolation Voltage (Vrms)
3750 (SOP8), 5000 (WSOP8, WSOP16)
Surge Voltage Capability (Vrms)
6500 (SOP8), 8000 (WSOP8, WSOP16)
CMTI (kV/μs)
200
Max Date Rate (Mbps)
150
Operating Temperature Range(℃)
-40 to 125
Package
SOP8, WSOP8, WSOP16
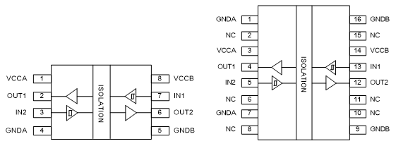
UMISO7723系列均为高性能双通道单向数字隔离器,提供3.75kVRMS(窄体封装)和5kVRMS(宽体封装)两种隔离等级,支持DC至150Mbps数据传输速率。该器件以具备低功耗的特点,同时展现出优异的电磁抗扰性和低辐射特性,可有效隔离不同接地域,并阻断高压/大电流瞬态干扰对敏感电路或人机接口电路的影响。各隔离通道均由逻辑输入与输出缓冲器构成,并通过二氧化硅(SiO2)电容绝缘屏障实现电气隔离。每个输入端集成的施密特触发器在汽车应用中可提供卓越的抗噪性能。
UMISO7723系列具有一路正向和一路反向通道,以适配隔离式CAN、RS-485等通信场景。该器件具备默认输出特性。当电源未上电或处于开路状态时,后缀为L的型号默认输出低电平,后缀为H的型号默认输出高电平。具体型号后缀与选项的对应关系详见订购信息表。
UMISO7723系列采用SOP8窄体封装、WSOP8宽体封装和WSOP16宽体封装,其工作环境温度范围为-40°C至125°C。
- 数据速率: DC至150Mbps
- 稳健的数字信号电气隔离
-- 长使用寿命: >40 年
-- 高达 5000 VRMS隔离电压(宽体封装)
-- CMTI:±200 kV/μs(典型值)
- 宽电源电压范围: 2.375V to 5.5V
- 工作环境温度范围:-40°C to 125°C
- 封装选项:
-- SOP8窄体封装、WSOP8宽体封装、WSOP16宽体封装
- 默认输出高电平 (UMISO7723H) 和默认输出低电平(UMISO7723L)选项
- 高电磁抗扰度
- 免初始化启动
- 低传播延迟和偏移
-- 传播延迟: <15ns
-- 脉冲宽度失真: <2.6ns
- 符合安全规范
-- DIN EN IEC 60747-17 (VDE 0884-17)
-- UL1577
-- IEC 61010‐1和GB 4943.1‐2022
- 工业自动化
- 医疗设备
- 光伏逆变器
- 电机控制
- 隔离电源
- 隔离式RS-485、CAN
| 器件型号 | 封装类型 | 丝印编码 | 发货数量 |
|---|---|---|---|
| UMISO7723LS8 | SOP8 | ISO7723LS8 | 3000pcs/13Inch Tape & Reel |
| UMISO7723LWS8 | WSOP8 | ISO7723LWS8 | 1000pcs/13Inch Tape & Reel |
| UMISO7723LWSG | WSOP16 | UMISO7723L | 1500pcs/13Inch Tape & Reel |
| UMISO7723HS8 | SOP8 | ISO7723HS8 | 3000pcs/13Inch Tape & Reel |
| UMISO7723HWS8 | WSOP8 | ISO7723HWS8 | 1000pcs/13Inch Tape & Reel |
| UMISO7723HWSG | WSOP16 | UMISO7723H | 1500pcs/13Inch Tape & Reel |











